Voolutrafo CT
Vaiguvalu elektriline Ct voolutrafo
  • Vaiguvalu elektriline Ct voolutrafoVaiguvalu elektriline Ct voolutrafo
  • Vaiguvalu elektriline Ct voolutrafoVaiguvalu elektriline Ct voolutrafo

Vaiguvalu elektriline Ct voolutrafo

Wenzhou XiFa Electric Power Equipment Co., Ltd on professionaalne tootja vaiguvalatud elektrilise toitevoolutrafo tootmiseks, mida kasutatakse 10 kv kuni 35 kv elektrilistes jaotusseadmetes. Wenzhou XiFa tootmismeeskond valab epoksüvaiku vaakumkeskkonnas, et eemaldada mullid voolutrafo küljelt ja vältida osalist tühjenemist pinnal. Vahepeal on vaigust valatud elektriline CT-voolutrafo konstrueeritud mitmekihilise isolatsioonistruktuurina, et saavutada parem pingetakistus ja pikaajaline stabiilsus.

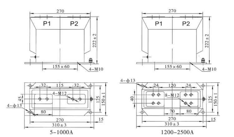
Vaiguvalatud elektriline toitevoolutrafo on siseruumides töötav epoksüvaigust vaakumvalatud posttüüpi seade, mis on mõeldud 10kv pingetasemega toitesüsteemidele nimisagedusega 50 Hz. Seda kasutatakse peamiselt voolu mõõtmiseks, energia mõõtmiseks ja kaitserelee jaoks.

Vaigust valatud elektriline CT-voolutrafo kasutab täielikult suletud epoksüvaigu valamise protsessi, mille käigus südamik on valmistatud kõrgekvaliteedilisest magnetmaterjalist ning nii primaar- kui ka sekundaarmähis koos südamikuga on põimitud vaiku. See konstruktsioon tagab suurepärase isolatsiooni, niiskuskindluse ja saastekindluse. Vaigust valatud elektrilise toitevoolutrafo pind ei vaja täiendavat katmist ja voolutrafot saab paigaldada mitmesse asendisse.

Valik hõlmab nii mõõteklasse, nagu 0,2S ja 0,5S, kui ka kaitseklasse, nagu 10P10 ja 10P20. Vaiguvalatud elektrilisel toitevoolutrafol on saadaval mitme suhtega disain, et see sobiks hästi kasutamiseks metallkattega elektripaneelides.

Resin Cast Electrical Ct Current TransformerResin Cast Electrical Ct Current Transformer

Tehniline spetsifikatsioon:

Tüüp Esmane nimivool (A) Täpsusklass Täpsusklass ja nimiväljund cosΦ=0,8 Shory-time soojusvool (kA/S) Dünaamiline nimivool (kA)
0,2 (s) 0,5 (s) 10P10 10P15 10P20
LZZBJ9-10 5-150 0,2s/0,5 0,2s/10P 0,2/10P 0,5s/10P 0,5/10P 10 10 15 15 10 100I1n 250I1n
200-300 31.5 80
400-500 45 112
600-1000 63 130
1200-1500 80 160
2000-2500 100 180

Resin Cast Electrical Ct Current Transformer

Toote KKK:

K: Milliseid tehnilisi parameetreid tuleks vaigust valatud elektrilise toitevoolutrafo valimisel kontrollida?

V: Valides tuleb kontrollida järgmisi võtmeparameetreid:

1. Täpsusklass: mõõtmiseks/mõõtmiseks (nt 0,2 s või 0,5) ja kaitseks (nt 10P10, 5P10 jne).

2. Nimivool primaar- ja sekundaarvool (teisendussuhe).

3. Lühiajaline soojusvool (Ith) ja lühiajaline voolutaluvus (tõrketingimuste jaoks).

4.Isolatsioonitasemed (pingetaluvus, impulsspinge nimiväärtus jne).

5. Keskkonnatolerants: temperatuurivahemik, kõrgus merepinnast, niiskus, saastetase.

6. Koormus: VA-koormus, millega sekundaarseade peab sõitma, täpsust halvendamata.

K: Millistes keskkondades või rakendustes on vaigust valatud elektrilised CT-voolutrafod eriti sobivad?

V: Vaigust valatud elektrilise toitevoolutrafo jaoks sobib järgmine keskkond või rakendus:

1.Siseruumides kasutatavad jaotusseadmed, kus ruumi on vähe ja isolatsioon on ülioluline.

2. Karmis või saastunud keskkonnas (tolm, niiskus, kemikaalid), kus lahtised osad või õli võivad laguneda.

3. Mõõtmis- ja kaitseahelates, mis nõuavad stabiilset ja täpset mõõtmist pikka aega.

4.Rakendused, kus on oluline madal hooldusvajadus ja kõrge töökindlus.

Kuumad sildid: Vaiguvalu voolutrafo tarnija, elektrilise CT-trafo tootja, kohandatud CT-trafo hulgimüük
Saada päring
Kontaktinfo

Et saada oma hinnapakkumine võimalikult kiiresti

XiFa - teie usaldusväärne elektriseadmete tarnija
X
Kasutame küpsiseid, et pakkuda teile paremat sirvimiskogemust, analüüsida saidi liiklust ja isikupärastada sisu. Seda saiti kasutades nõustute meie küpsiste kasutamisega. Privaatsuspoliitika
Keeldu Nõustu