Voolutrafo CT
Haava tüüp 5p10 5p20 Ct 100 150 400 5a
  • Haava tüüp 5p10 5p20 Ct 100 150 400 5aHaava tüüp 5p10 5p20 Ct 100 150 400 5a

Haava tüüp 5p10 5p20 Ct 100 150 400 5a

Kvaliteetsete potentsiaalsete trafode ja voolutrafode tarnimiseks toetab Wenzhou XiFa Electric Power Equipment Co., Ltd klientidele kohandatud teenust, näiteks toota ja tarnida haavatüüpi 5p10 5p20 ct 100 150 400 5a. WenZhou XiFa Electricu tootmismeeskond hoiab kiire tarnimise tagamiseks laoseisu tavalise tüüpi voolutrafode jaoks, näiteks 100/5a 10p10 0,5 voolutrafo. Siiski toetab ettevõte kohandatud teenust erinevate elektrivajaduste rahuldamiseks, näiteks toitevoolutrafot, mille kaitseklass on 5p10 või 5p20.

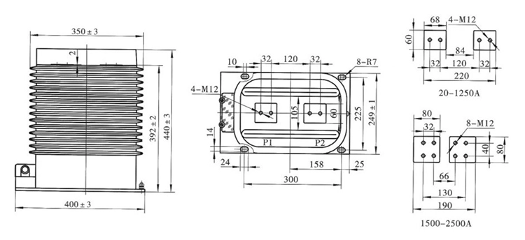
Keritud tüüpi voolutrafo on mõeldud usaldusväärseks voolu mõõtmiseks ja kaitseks keskpingesüsteemides, nagu 10kv 20kv ja 35kv. See haavatüüp 5p10 5p20 ct 100 150 400 5a pakub täpset sekundaarvoolu, kaitseväljundit, mis sobib nii mõõtmiseks, ümbermõõtmiseks kui ka releeseadmeteks, voolusuhtega 100/5A, 150/5A ja 400/5A ning kaitsetäpsusklassidega 5P10 ja 5P20.

Tahkete magnetsüdamike ja sekundaarsete mähistega valmistatud voolutrafo tagab stabiilse jõudluse lühise tingimustes ja tagab täpse voolumuunduse isegi mööduvate sündmuste ajal. Selle tugev isolatsioonisüsteem, mis sisaldab sageli epoksiidi või kõrgekvaliteedilist vaiku, tagab ohutuse, pika kasutusea ning vastupidavuse niiskusele ja keskkonnamõjudele.

Haava tüüpi konstruktsioon võimaldab paindlikku paigaldamist lülitusseadmetesse, juhtpaneelidesse ja jaotuskilpidesse, et pakkuda releekaitseskeemidele usaldusväärset tuge. Keritud voolutrafo sobib ideaalselt tööstusettevõtetesse, ärirajatistesse ja jaotusvõrkudesse, kus täpne ja usaldusväärne voolumõõtmine on oluline nii tööseireks kui ka kaitsejuhtimiseks.

Wound Type 5p10 5p20 Ct 100 150 400 5a

Tehniline spetsifikatsioon:

Tüüp Esmane nimivool (A) Täpsusklass Täpsusklass ja nimiväljund cosΦ=0,8 Shory-time soojusvool (kA/S) Dünaamiline nimivool (kA)
0,2 (s) 0,5 (s) 10P10
LZZBJ9-35 20-100 0,2/0,2 0,2/0,5 0,2/5P20 0,5/5P20 0,2/0,5/5P 0,2/5P/5P 10 10 15 150I1n 375I1n
150-200 31.5 80
300-500 31,5/2 80
600-1250 15 30 20 31,5/4 80
1500-2000 20 40 30 40/4 125
2500 20 40 20 40/4 125


Tüüp Esmane nimivool (A) Täpsusklass Mahutavus (VA) Shory-time soojusvool (kA/S) Dünaamiline nimivool (kA)
LZZBJ9-35 10 0,2/10P10 0,5/10P10 0,2/5P20 0,5/5P20 0,2/0,5/10P10 0,2/0,5/5P20 0,2/10P10/5P20 0,5/10P10/5P20 15/20 20/20 15/20 20/20 15/20/20 15/20/20 15/20/20 20/20/20 1,5/1 3.75
20 2/1 5
30 3/1 7.5
40 4/1 10
50 5/1 12.5
75 7,5/1 18.75
100 10/1 25
150 15/1 37.5
200 20/1 50
300 31,5/1 80
400 31,5/2 80
500 31,5/2 80
600 31,5/2 80
800 31,5/3 80
1000 31,5/3 80
1200 31,5/3 80
1500 31,5/3 80
2000 31,5/3 80

Wound Type 5p10 5p20 Ct 100 150 400 5a

Toote KKK:

K: Mida tähendab haavatüüp 5P10 või 5P20 haavatüübi 5p10 5p20 ct 100 150 400 5a puhul?

V: Mõiste "haavatüüp" viitab CT-dele, kus primaarjuht on pigem mähitud mähis kui südamikku läbiv siini või latt. Klass 5P10 või 5P20 näitab kaitse täpsust: 5P tähendab kuni 5% viga nimisekundaarvoolu korral ja arv 10 või 20 on nimivoolu maksimaalne lubatud lühiajaline kordne, ilma et see ületaks määratud viga.

K: Kuidas valida oma süsteemile õige CT reiting?

V: Valige CT oma süsteemi maksimaalse koormusvoolu ja kaitsenõuete alusel. Näiteks 100/5A CT sobib vooluahelatele, mille tüüpiline vool on umbes 100 A, samas kui 400/5A on mõeldud suurema voolutugevusega feederitele. Valige kaitseklass (5P10 või 5P20) vastavalt relee veatuvastuse tundlikkusele ja eeldatavale lühisevoolule.

K: Milliste keskkonnatingimustega saab haavatüüpi 5p10 5p20 ct 100 150 400 5a hakkama?

V: Need mähitud voolutrafod on tavaliselt ette nähtud välistemperatuuridele –10 °C kuni +40 °C, maksimaalse kõrgusega 1000 m. Korpuse materjalid ja isolatsioonisüsteemid on mõeldud niiskus-, tolmu- ja saastekindlaks tööks, et tagada usaldusväärne kaitse töös ja kommunaalteenustes.




Kuumad sildid: Haava tüüp 5p10 5p20 Ct 100 150 400 5a, voolutrafode tarnija, mõõtetrafode hulgimüük
Saada päring
Kontaktinfo

Et saada oma hinnapakkumine võimalikult kiiresti

XiFa - teie usaldusväärne elektriseadmete tarnija
X
Kasutame küpsiseid, et pakkuda teile paremat sirvimiskogemust, analüüsida saidi liiklust ja isikupärastada sisu. Seda saiti kasutades nõustute meie küpsiste kasutamisega. Privaatsuspoliitika
Keeldu Nõustu