Voolutrafo CT
Puksi tüüp CT keskpinge voolutrafo
  • Puksi tüüp CT keskpinge voolutrafoPuksi tüüp CT keskpinge voolutrafo
  • Puksi tüüp CT keskpinge voolutrafoPuksi tüüp CT keskpinge voolutrafo

Puksi tüüp CT keskpinge voolutrafo

Gaasiisolatsiooni jaotusseadmete elektrinõudluse rahuldamiseks toodab ja tarnib Wenzhou XiFa Electric Power Equipment Co., Ltd. Ct-tüüpi keskpingevoolutrafot välis- ja kodumaistele klientidele. Läbiviigu tüüpi keskpinge voolutrafo on kompaktse disainiga, mis võimaldab CT-d sobida paigalduskeskkonda sf6 rõngaga põhiseadmesse. Samal ajal on läbiviigu tüüpi ct keskpingevoolutrafol ka täiesti suletud struktuur, mida välisõhu niiskus ja saaste ei mõjuta.

Läbiviigu tüüpi keskpinge voolutrafod on konstrueeritud sf6 gaasiisolatsiooniga lülitusseadmete jaoks, et tagada täpne voolumõõtmine ja usaldusväärne kaitse. Kompaktse läbisüdamikuga konstruktsiooniga läbiviigutüüpi keskpinge voolutrafodel on kõrgekvaliteedilised magnetsüdamikud ja epoksüvaigu kapslid, mis tagavad suurepärase isolatsiooni, niiskuskindluse ja pikaajalise tööstabiilsuse.


Läbiviigu tüüpi keskpinge voolutrafod toetavad nii mõõteklassi kui ka kaitseklassi nimiväärtusi, et tagada täpne voolutuvastus tavatöös ja rikketingimustes. Tugev ja suletud konstruktsioon võimaldab paigaldada kitsastesse GIS-i ruumidesse jõudlust kahjustamata, samas kui mitmesuunaline paigaldusvõimalus hõlbustab süsteemi paindlikku integreerimist.


Läbiviigu tüüpi keskpinge voolutrafod sobivad ideaalselt nutikatesse võrkudesse, tööstusalajaamadesse ja raudteetransiidisüsteemidesse. See liidestub sujuvalt kaitsereleede, mõõteseadmete ja automaatikasüsteemidega, et tagada täpne jälgimine ja usaldusväärne rikete tuvastamine kriitilistes elektrivõrkudes.

Bushing Type Ct Medium Voltage Current TransformerBushing Type Ct Medium Voltage Current Transformer

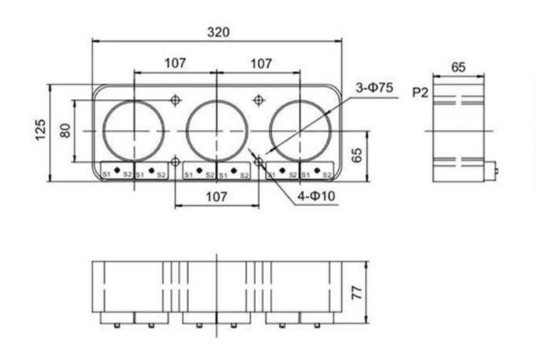
Tehniline spetsifikatsioon:

Bushing Type Ct Medium Voltage Current TransformerBushing Type Ct Medium Voltage Current TransformerBushing Type Ct Medium Voltage Current Transformer

Toote KKK:

K: Mis on puksi tüüpi ct keskpinge voolutrafo?

V: puksi tüüpi CT on avoolutrafoette nähtud paigaldamiseks otse elektripaneelide, eelkõige gaasiisolatsiooni jaotusseadme ümber või selle sisse. Seda kasutatakse tavaliselt keskpingerakendustes täpseks voolumõõtmiseks, energia mõõtmiseks ja kaitserelee tegemiseks.

K: Millistes rakendustes kasutatakse puksi tüüpi CT-sid kõige sagedamini?

V: Puksi tüüpi CT-sid kasutatakse laialdaselt keskpinge lülitusseadmetes, jõutrafodes ja kaitselülitites. Nende kompaktne disain muudab need sobilikuks integreerimiseks seadmetesse, kus ruumi on vähe, pakkudes samal ajal usaldusväärset voolu jälgimist nii mõõtmiseks kui ka kaitseks.

K: Millised on puksi tüüpi CT-de peamised eelised võrreldes teiste konstruktsioonidega?

V: Läbiviigu tüüpi CT-d on otse integreeritud seadme puksiga, mis säästab paigaldusruumi ja vähendab juhtmestiku keerukust. Need pakuvad suurt dielektrilist tugevust, tugevat isolatsiooni ja suurepärast mehaanilist stabiilsust. See disain tagab usaldusväärse pikaajalise toimimise nõudlikes keskkondades.




Kuumad sildid: Läbiviigu tüüp CT keskpinge voolutrafo tarnija, voolutrafo hulgimüük
Saada päring
Kontaktinfo

Et saada oma hinnapakkumine võimalikult kiiresti

XiFa - teie usaldusväärne elektriseadmete tarnija
X
Kasutame küpsiseid, et pakkuda teile paremat sirvimiskogemust, analüüsida saidi liiklust ja isikupärastada sisu. Seda saiti kasutades nõustute meie küpsiste kasutamisega. Privaatsuspoliitika
Keeldu Nõustu